Logo www.aquapondcz.cz

Menu
CZ

AQUAPOND - přijatelné ceny, výrazné slevy při nákupu nad 7200 Kč. Stačí vložit zboží do košíku a podle výšky nákupu se vypočíta vyška slevy. Čím větší nákup, tím větší sleva. Ceny dohodou! Informujte se na telefonním čísle: 723 355 306, Tešíme se na Vás!



<<  6/6 

Basketbalový koš nad bazén

Doprava zdarma
Extra sleva

Basketbalový koš nad bazén

Popis

Koš na košíkovou je vyroben z akrylového umělého skla 10 mm tlustého je v rámu z nerezavějící oceli AISI 316. Pro osazení koše je potřeba nejprve zabetónovat montážní zásuvky na okraj ... Přečtěte si více
Kód produktu: 714010



Výhodné ceny

Ověřeno zákazníky

Rychlé dodání

20 leté zkušenosti

Věrnostní program


  • Basketbalový koš nad bazén

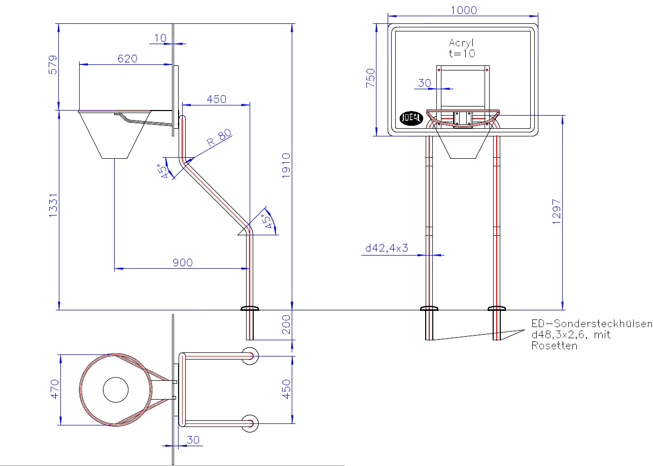
    Kvalitní basketbalový koš je z akrylového umělého skla 10 mm tloušťky v rámu z nerezavějící nerezové oceli AISI 316. Pro osazení je třeba nejprve zabetonovat zásuvky na okraj bazénu na které se následně nasune a namontuje konstrukce koše. Montážní příslušenství je součástí dodávky. Jednoduchá montáž i demontáž.


    Technické parametry

    • Basketbalová tabule akrylové sklo 10 mm rám z nerezové oceli AISI 316 (vhodná pro bazény se slanou úpravou vody, obsah chlóru max.500 mg/l)
    • Nohy nerezová ocel AISI 316 (vhodná pro bazény se slanou úpravou vody Cl-max.500 mg/l)
    • Celková výška: 1910 mm
    • Výška basketbalové tabule: 750 mm
    • Šířka basketbalové tabule: 1000 mm
    • Výška nohou od země po obrubu koše: 1297 mm
    • Hmotnost: 33 kg
    • Záruka: 2 roky
    • Součástí balení je i obruba koše se síťkou a montážní příslušenství
  • Doprava a platba

    Zboží zasíláme přepravními službami Zásilkovna ( 10000+ odběrných míst v České republice ) a FOFR. Osobní odběr je možný na našich odběrných místech v Modleticích (Praha-východ) a Slatině (Brno) na základě předem vytvořené objednávky.
    Doprava je ZDARMA při objednávce zboží nad 5000 Kč.
    Platbu můžete realizovat dobírkou, online platební kartou, převodem na účet nebo přes PayPal. Při osobním vyzvednutí je možná platba v hotovosti a platební kartou.
    O termínu dodání Vám ochotně poradíme na tel. čísle +420 723 355 306.
    Detailnější informace o způsobech dopravy naleznete v sekci Obchodní podmínky.

Sdílejte tento produkt
Facebook  Twitter  Google  LinkedIn  Pinterest  Email 

Naposledy prohlížené produkty

 


 


© Všechna práva vyhrazena - www.aquapondcz.cz
Tvorba eshopu

Nastavení souborů cookies
Pro fungování naší webové stránky používáme nezbytné cookies (essential cookies) umožňující realizovat základní funkcionality webové stránky. Tyto cookies můžete zakázat změnou nastavení Vašeho internetového prohlížeče, což však může ovlivnit fungování webové stránky. Rádi bychom také využívali dobrovolných cookies (non-essential), které nám pomohou zlepšit fungování naší webové stránky. Pro jejich povolení prosím odklikněte souhlas.
Ochrana osobních údajů  |  Informace o cookies
Souhlasím Přizpůsobit Odmítnout
<Zpět
Podrobné nastavení cookies
Soubory cookie používáme k zajištění základních funkcí stránky a ke zlepšení vašeho uživatelského zážitku. Svůj souhlas pro každou kategorii můžete kdykoli změnit.
<Nezbytné cookies
 
Technické soubory cookies jsou nezbytné pro správné fungování naší webové stránky. Ty se využívají zejména k uchovávání Vašich produktů v košíku, zobrazování oblíbených výrobků, nastavení Vašich preferencí a nákupního procesu. Pro využívání technických cookies nepožadujeme Váš souhlas, ale zpracováváme je na základě našeho oprávněného zájmu. Váš prohlížeč můžete nastavit tak, aby blokoval nebo Vás upozorňoval na takové soubory. V takovém případě však nemusí některé části naší webové stránky správně fungovat.
<Analytické cookies
 
Analytické cookies nám umožňují měření výkonu a počet návštěv naší webové stránky.
<Marketingové cookies
 
Marketingové cookies jsou využívány reklamními a sociálními sítěmi pro přizpůsobení zobrazovaných reklam tak, aby pro vás byly co nejzajímavější.
Povolit všechny Povolit zvolené Odmítnout
Uložit Odmítnout